YXC-100/150(B)磁助电接点压力表比普通电接点压力表的触头功率更大,适用于测量对铜及铜合金无腐蚀、无爆炸危险、非结晶的各种液体、气体等介质的压力。仪表经与相应电气件(继电器或接触器)配套使用,可达到对被测压力系统实现预先设定的大或小压力值的双位自动控制和输出信号(报警)的目的。
磁助电接点压力表的电接触信号针上,装有可调节的磁钢,可以增加接点吸力,加快接触动作,从而使触点接触可靠,消除电弧,能有效地避免仪表由于工作环境振动或介质压力脉动造成触点的频繁关断。所以该仪表具有动作可靠、使用寿命长、触点开关功率较大等优点。
磁助电接点压力表仪表具有测量控制功能,可任意设定上、下控制压力值,动作稳定可靠,在石油、化工、电站、冶金等工业企业及机电设备上广泛配套使用。
一、磁助电接点压力表结构原理:
仪表由测量系统、指示装置、磁助电接点装置、外壳、调节装置及接线盒等组成。
当被测压力作用于弹簧管时,其末端产生相应的弹性变形—位移,经传动机构放大后,由指示装置在度盘上指示出来。同时指针带动电接点装置的活动触点与设定指针上的触头(上限或下限)相接触的瞬时,致使控制系统接通或断开电路,以达到自动控制和发信报警的目的。
二、技术指标:
1.接点装置电气参数及控制形式:
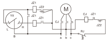
2.电气电路连接示意图:| 触头功率 | 高工作电压 | 大工作电流 | 控制形式 |
| 30VA(阻性负载) | 220V D.C或380V A.C | 1A | 上下限、双上限、双下限 |
![]() |
JZ1、JZ2-继电器及触点 CJ-接触器及触点 RJ-热继电器 M-电机 YX-电接点压力表 L-下限接点(绿) H-上限接点(红) B-公共接点(黄) |
三、磁助电接点压力表外形尺寸图:

| 型 号 | D | H | H1 | H2 | D0 | d | d1 | B | B1 | L | L1 |
| YXC-60 | Φ60 | 46 | 13 | M14*1.5 | 56 | 72 | 14 | ||||
| YXC-100 | Φ100 | 95 | 17 | M20*1.5 | 87 | 121 | 20 | ||||
| YXC-100ZT | 96 | 33 | 30 | 118 | 5.5 | 115 | |||||
| YXC-150 | Φ150 | 78 | 40 | 17 | 165 | M20*1.5 | 5.5 | 113 | 150 | 20 | |
| YXC-150ZT | 78 | 30 | 100 |

YXC-100/150磁助电接点压力表
YXC-100/150B不锈钢磁助电接点压力表
YEXC-100/150膜盒磁助电接点压力表
YEXC-100/150B不锈钢膜盒磁助电接点压力表
YNXC-100/150耐震磁助电接点压力表
YNXC-100/150B不锈钢耐震磁助电接点压力表
YENXC-100/150膜盒耐震磁助电接点压力表
YENXC-100/150B不锈钢膜盒耐震磁助电接点压力表
YXC-100/150/MF/ML隔膜磁助电接点压力表
YXC-100/150B/MF/ML不锈钢隔膜磁助电接点压力表
YNXC-100/150/MF/ML耐震隔膜磁助电接点压力表
YNXC-100/150B/MF/ML不锈钢耐震隔膜磁助电接点压力表
YXC-100/150B不锈钢磁助电接点压力表
YEXC-100/150膜盒磁助电接点压力表
YEXC-100/150B不锈钢膜盒磁助电接点压力表
YNXC-100/150耐震磁助电接点压力表
YNXC-100/150B不锈钢耐震磁助电接点压力表
YENXC-100/150膜盒耐震磁助电接点压力表
YENXC-100/150B不锈钢膜盒耐震磁助电接点压力表
YXC-100/150/MF/ML隔膜磁助电接点压力表
YXC-100/150B/MF/ML不锈钢隔膜磁助电接点压力表
YNXC-100/150/MF/ML耐震隔膜磁助电接点压力表
YNXC-100/150B/MF/ML不锈钢耐震隔膜磁助电接点压力表









![[list:title]](/uploads/allimg/180720/1-1PH0110G3.jpg)
